Внимание: Santreyd — информационный посредник. Товары представлены в рамках параллельного импорта. Изображения и описания носят информационный характер.
+7 (487) 246-70-38

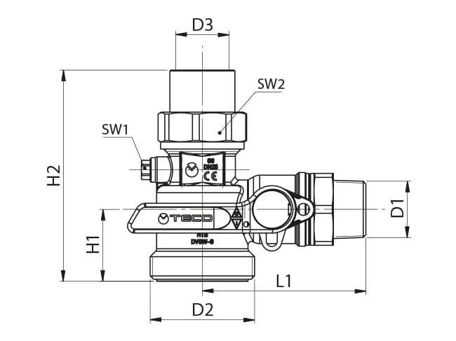
Прямые однотрубные клапаны газового счетчика и запираемый блок 90° с резьбой TECO G6 ARCH-00109332

Артикул: ARCH-00109332 Бренд: TECO Код: 105 183 048
0
Важная информация для покупателей:

Santreyd является информационным посредником. Товары представлены в рамках параллельного импорта. Изображения и описания носят информационный характер и могут отличаться от оригинала.

Информация о рекламодателе объявление № 5183048 от 14.03.2026 г. ООО "САН&nbps;&nbps;&nbps;
Сведения о рекламодателе предоставляется по запросу Правообладателя и/или контролирующих структур

Цена товара
Цена по запросу
Отправьте запрос, чтобы узнать актуальную цену и условия поставки
Под заказ Сроки поставки уточните у менеджера
Укажите количество:шт

Основные характеристики

Бренд
TECO
Страна производителя
-
Гарантия
-
Размеры
-
Вес
-
Цвет
-

G6 G61315L, прямые однотрубные клапаны газового счетчика и запираемый блок-G6 клапан с резьбой 90°.

Область применения / применения

  • подходит для всех типов газов, как указано в нормах EN 437 и DVGW G260 (метан, бутан, пропан и водород).

Особенности

  • клапанов для однотрубных газовых счетчиков.
  • Подходит и сертифицирован в соответствии с EN 437 и DVGW G260 для газовых установок до 100% водорода.
  • Клапаны сертифицированы по DIN EN 331 и доступны с предохранительными устройствами GST® или FIREBAG®.
  • ассортимент включает в себя прямую версию с полкой из оцинкованной стали и версию с откидной крышкой.
  • Встроенный захват давления на теле valvola.
  • La рычаг установлен с запирающейся петлей.
  • Широкий спектр доступных соединений.

Включает

  • в себя клапан № 1 с
  • запираемым рычагом G 1/8 "

клапан для однотрубного газового счетчика.
Клапан G6 предназначен для однотрубного газового счетчика и доступен с устройствами безопасности Firebag® и GST®.
Модельный ряд включает в себя как прямую, так и командную версии со встроенным захватом давления.

Справочная сертификация: DIN EN 331 DIN 3376/2 DIN 3586 DVGW VP305-1: 12/2007 K/M DVGW G 5614 DVGW VP 308
рабочее давление: швабра 5 бар (G6 с шваброй GST 100 мбар)
рабочая температура: -20 °C +60 °C
область применения: для всех видов швабры газ, как указано в EN 437 и DVGW G260 / 1 (метан, бутан, пропан)
высокая термостойкость: HTB 650 °C на 30’

Информация для покупателей:

Все описания товаров составлены на основе открытых данных и технической документации. Изображения товаров носят информационный характер и могут отличаться от оригинала.

Видеообзор товара

Посмотрите подробный обзор товара и его применение в интерьере

Артикул ARCH-00109332
Бренд TECO
Тип прямые однотрубные газовые счетчики и запираемые клапаны с резьбой 90°
Код товара G61315L100, G62315L100, G63315L200, G63315L300,G63315L400

Отзывы покупателей

0 на основе 0 отзывов

Вопросы и ответы

Здесь вы можете найти ответы на часто задаваемые вопросы или задать свой вопрос о товаре.

Как можно оплатить заказ?

Оплата товаров производится по выставленому счету нашим менеджером, после оформления заказа. Доступные способы оплаты отображены в «Корзине» в момент оформления.

Отвечен 10 марта 2025

Условия доставки и оплаты

ДОСТАВКА ПО МОСКВЕ И ОБЛАСТИ:
Экспресс‑доставка за один день!

Доставка осуществляется в рабочие дни (пн–пт) с 8:00 до 23:00.

По Москве: 2–5 рабочих дня при наличии товара на складе. Стоимость – 1500 ₽.

По Московской области: 2–10 рабочих дней при наличии товара на складе и свободного транспорта. Стоимость – 1500 ₽ + 80 ₽/км. Покупатель обязан обеспечить возможность подъезда автомобиля и зону для разгрузки. Разгрузка производится силами покупателя.

Экспресс-доставка за 1 день: оплатите заказ до 9:00 – привезём в тот же день до 23:00 (при наличии на складе). Стоимость – 6500 ₽.

Время доставки согласовывается с покупателем заранее и дополнительно уточняется в день доставки. Указанное время является ориентировочным и зависит от дорожной ситуации и форс-мажоров. В связи с высокой загруженностью логистики просим с пониманием отнестись к возможным задержкам.

ДОСТАВКА ПО ВСЕЙ РОССИИ
Во все регионы круглый год

Во все регионы круглый год. Надёжные ТК: СДЭК, Деловые Линии, ПЭК, Байкал Сервис.

Варианты оплаты доставки:

Напрямую перевозчику — в счёте появится услуга «Организация перевозки с полным сопровождением» (499 руб.). Стоимость перевозки оплачивается отдельно по тарифу ТК.

Через нас (выгодно до –30%) - в счёте также услуга «Организация перевозки с полным сопровождением» (499 руб.), а стоимость перевозки рассчитывается автоматически: выбираем лучшую цену, применяем наши скидки от ТК на перевозку и упаковку. Важно: рассчитанная стоимость – ориентировочная. После упаковки и взвешивания возможна корректировка – разницу покупатель обязан доплатить на основании транспортной расписки (прозрачно, без скрытых переплат).

Варианты оплаты доставки:

  • Указание адреса при заказе не является основанием для доставки до адреса. Товар по умолчанию поставляется до терминала ТК в вашем городе получения (исключение: СДЭК и DPD – доставка до адреса возможна при весе посылки не более 40 кг).
  • Стоимость доставки и транспортировочной упаковки оплачивает покупатель.
  • Цена доставки может превышать цену товара.
  • Сроки доставки: от 10 до 30 календарных дней (зависят от правил выбранной ТК).
СПОСОБЫ ОПЛАТЫ:
QR, картой, переводом

Выбирайте то, что удобно:

  • Онлайн банковской картой — через защищённый платёжный шлюз
  • По счёту — банковский перевод по реквизитам
  • По QR‑коду — быстро и без лишних действий

Оплата наличными и при получении недоступна.

Все заказы принимаются только при 100% предоплате в соответствии с условиями договора.

Гарантия на товар

Гарантия 12 месяцев

Прямые однотрубные клапаны газового счетчика и запираемый блок 90° с резьбой TECO G6 ARCH-00109332 предоставляется с гарантией 12 месяцев с момента покупки.

Условия гарантии:
  • Гарантия распространяется на производственные дефекты
  • Гарантийный талон должен быть заполнен и заверен печатью продавца
  • Товар должен использоваться по назначению и в соответствии с инструкцией
  • Гарантия не распространяется на повреждения, вызванные неправильной установкой или эксплуатацией
Важная информация:

Гарантийные обязательства выполняются в рамках законодательства РФ о параллельном импорте. Для предъявления претензий по гарантии необходимо обратиться к продавцу.

Цена по запросу
Товар: "Обои виниловые бежевые 0.70 м 919653 RASCH Safrano" добавлен в корзину
Оформить заказ
Товар добавлен в корзину
Оформить заказ
Ваша оценка учтена
Общая оценка товара: 3.5
Вывод сообщения о неверном действии со стороны пользователя
Сообщение об успешном действии: отправлена форма, успешный вход и т.д.
Сообщение об успешном действии: отправлена форма, успешный вход и т.д.