Внимание: Santreyd — информационный посредник. Товары представлены в рамках параллельного импорта. Изображения и описания носят информационный характер.
+7 (487) 246-70-38

Danfoss MLZ — герметичные спиральные компрессоры MLZ045T2LQ9A Компрессор спиральный 121L8797

Артикул: 121L8797 Бренд: DANFOSS Код: 102 064 835
0
Важная информация для покупателей:

Santreyd является информационным посредником. Товары представлены в рамках параллельного импорта. Изображения и описания носят информационный характер и могут отличаться от оригинала.

Информация о рекламодателе объявление № 2064835 от 30.07.2021 г. ООО "САН&nbps;&nbps;&nbps;
Сведения о рекламодателе предоставляется по запросу Правообладателя и/или контролирующих структур

Цена товара
128 246 / шт
Отправьте запрос, чтобы узнать актуальную цену и условия поставки
Под заказ Сроки поставки уточните у менеджера
Укажите количество:шт Итого ( 1 x 128 246 ) :128 246

Основные характеристики

Бренд
DANFOSS
Страна производителя
Дания
Гарантия
-
Размеры
-
Вес
37
Цвет
-

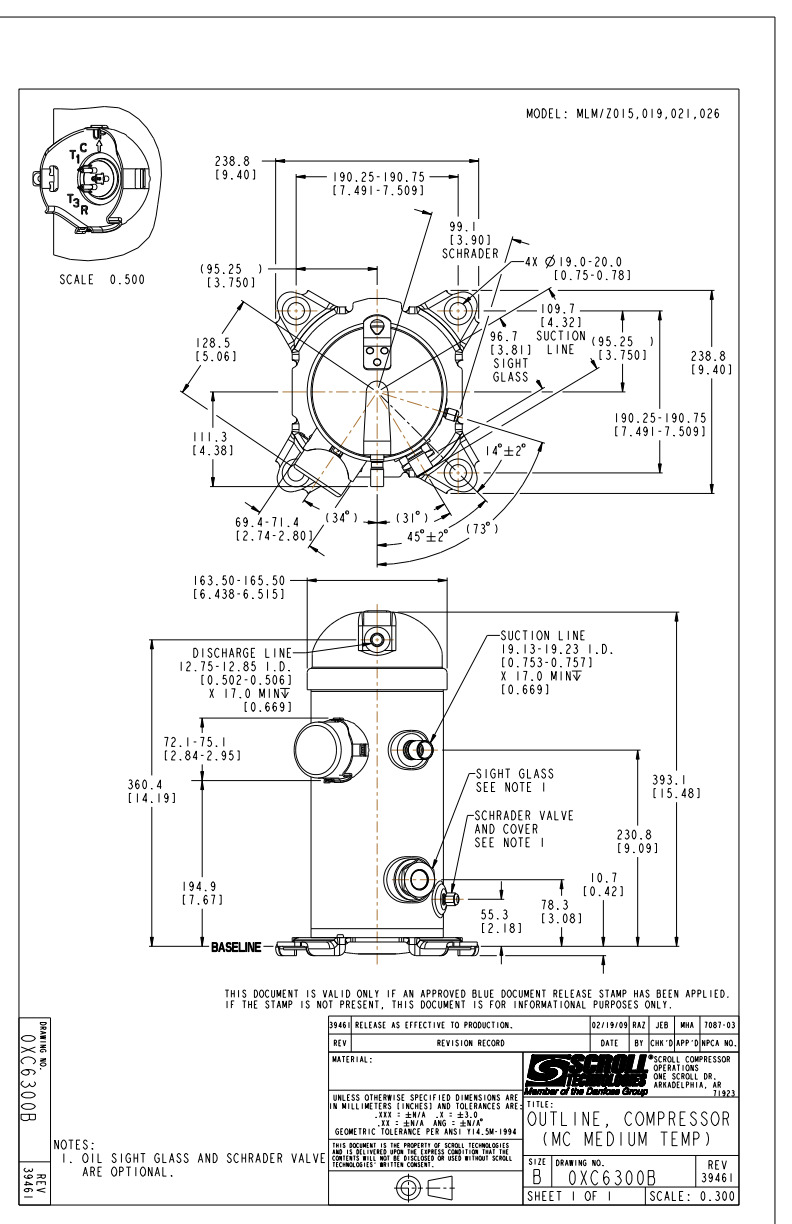
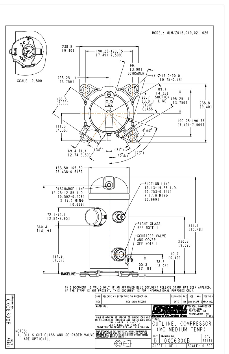
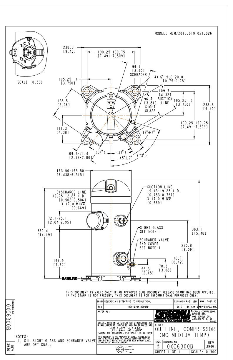
Герметичные спиральные компрессоры применяются в холодильных системах средне- и высокотемпературного применения. Данная серия компрессоров одобрена для работы с хладагентами R22, R404A, R507, R134a, R407A, R407F, R448A, R449A, R452A, R513A и поставляется с заправкой полиэфирного масла (MLZ116 с поливинилэфирным маслом PVE).

  • Модельный ряд от 2 до 15 TR (тонн холода)
  • Исполнение патрубков под пайку и под резьбу
  • Широкая область эксплуатации, подходит для различных применений
  • Высокая эффективность и надежность
  • Электродвигатель полностью охлаждается всасываемым газом
  • Оптимизированы для параллельного применения
Информация для покупателей:

Все описания товаров составлены на основе открытых данных и технической документации. Изображения товаров носят информационный характер и могут отличаться от оригинала.

Артикул 121L8797
Бренд DANFOSS
Вес 37
Страна изготовления Дания
Хладагент R404A
Тип упаковки Индивидуальная
Вес нетто, кг 37
Максимальная потребляемая... 6864
Потребляемый ток, А 19,84
Холодильный коэффициент, ... 1,97
Объемная производительнос... 17,15
Заправка масла, дм3 1,6
LRA (ток при заторможенно... 170
Сопротивление обмотки, Ом... 0,48/ 0,46/ 0,48
Патрубок под ротолок, лин... 1 1/4"
Патрубок под ротолок, лин... 1"
Смотровое стекло для конт... 1 1/8"-18 UNEF
Уровень мощности шума при... 71
Уровень мощности шума при... 63
Штуцер для слива масла Под отбортовку 1/4"
MCC (Максимальный непреры... 30
Потребляемая мощность, Вт 4812
Рабочий объём, см3/об 98,6
Холодопроизводительность,... 9484
Условия испытания EN12900 Температура кипения = -10ºC Температура конденсации = +45ºC Перегрев = 10K Переохлаждение = 0K
Гарантийные обязательства Изготовитель/продавец гарантирует соответствие компрессора герметичного техническим требованиям при соблюдении потребителем условий транспортирования, хранения и эксплуатации.Гарантийный срок эксплуатации и хранения составляет - 12 месяцев с даты продажи, указанной в транспортных документах, или 18 месяцев с даты производства. Срок службы компрессора герметичного спирального при соблюдении рабочих диапазонов согласно паспорту/инструкции по эксплуатации и проведении необходимых сервисных работ  10 лет даты продажи, указанной в транспортных документах. Гарантия на изделие может считаться аннулированной и не имеющей силы в следующих случаях изменение внешнего вида компрессора (отсутствие заводской таблички, следы сверления и сварки, сломанные опоры, следы ударов), компрессор вскрыт покупателем или возвращен открытым (т.е. с открытыми нагнетательным и всасывающим патрубками), наличие ржавчины и воды внутри компрессора, добавление в масло жидкости для обнаружения течи, использование хладагента или масла, не разрешенного заводом-изготовителем, любое отклонение от рекомендованных правил установки, эксплуатации или технического обслуживания, использование компрессора в средствах передвижения (кораблях, поездах, автомобилях и т.п.) или во взрывоопасных условиях (распределительная коробка компрессора не является взрывозащищенной). Дата изготовления компрессора указывается на его заводской табличке при помощи двухбуквенного кода, стоящего перед цифрами, обозначающими серийный номер компрессора. Помните, что этот серийный номер должен всегда указываться на любой рекламации, сопровождающей данное изделие. Выяснение причин выхода из строя компрессора производится специальной экспертной комиссией. В случае выхода из строя компрессора в результате заводского дефекта ООО Данфосс компенсирует Покупателю стоимость компрессора. ООО Данфосс не компенсирует издержки, превышающие стоимость компрессора. В остальном, отношения между Покупателем и ООО Данфосс регулируются Договором между Покупателем и ООО Данфосс.
Комплектность Компрессор поставляется с необходимым комплектом для монтажа компрессоры в индивидуальной упаковке поставляются с четырьмя резиновыми установочными прокладками, металлическими втулками, болтами, шайбами
Назначение изделия Компрессор герметичный типа MLZ (далее по тексту - компрессор) является спиральным компрессором, предназначен для работы в холодильных установках, работающих по парокомпрессионному циклу.Компрессор герметичный типа MLZ может использоваться с хладагентами R22, R134a, R404A, R507, R407A, R407F, R448A, R449A, R452A и поливинилэфирным маслом (POE) 215PZ. Не предназначены для контакта с питьевой водой в системах хозяйственно-питьевого водоснабжения.
Номинальное напряжение пи... 200 - 220 В/ 3 фазы / 50 Гц 208 - 230 В/3 фазы / 60 Гц

Отзывы покупателей

0 на основе 0 отзывов

Вопросы и ответы

Здесь вы можете найти ответы на часто задаваемые вопросы или задать свой вопрос о товаре.

Как можно оплатить заказ?

Оплата товаров производится по выставленому счету нашим менеджером, после оформления заказа. Доступные способы оплаты отображены в «Корзине» в момент оформления.

Отвечен 10 марта 2025

Условия доставки и оплаты

ДОСТАВКА ПО МОСКВЕ И ОБЛАСТИ:
Экспресс‑доставка за один день!

Успевайте оплатить заказ до 9:00 — и в тот же день, до 23:00, мы привезём его при наличии на складе.

Стоимость — 6 500 ₽. Быстро, чётко, без ожидания.

ДОСТАВКА ПО ВСЕЙ РОССИИ
Во все регионы круглый год

Надёжные транспортные компании — СДЭК, Деловые Линии, ПЭК, Байкал Сервис — доставят ваш заказ в любой регион.

Удобные варианты оплаты доставки:

Напрямую перевозчику — по отдельному счёту от ТК.

Через нас — мы включим предварительную стоимость доставки в общий счёт. После упаковки и взвешивания, если тариф изменится, разницу вы доплачиваете напрямую транспортной компании — прозрачно и без скрытых переплат.

Стоимость доставки и упаковки оплачивает покупатель. Сроки — от 10 до 30 календарных дней (зависят от правил выбранной ТК).

СПОСОБЫ ОПЛАТЫ:
QR, картой, переводом

Выбирайте то, что удобно:

  • Онлайн банковской картой — через защищённый платёжный шлюз
  • По счёту — банковский перевод по реквизитам
  • По QR‑коду — быстро и без лишних действий

Оплата наличными и при получении недоступна.

Все заказы принимаются только при 100% предоплате в соответствии с условиями договора.

Гарантия на товар

Гарантия 12 месяцев

Danfoss MLZ — герметичные спиральные компрессоры MLZ045T2LQ9A Компрессор спиральный 121L8797 предоставляется с гарантией 12 месяцев с момента покупки.

Условия гарантии:
  • Гарантия распространяется на производственные дефекты
  • Гарантийный талон должен быть заполнен и заверен печатью продавца
  • Товар должен использоваться по назначению и в соответствии с инструкцией
  • Гарантия не распространяется на повреждения, вызванные неправильной установкой или эксплуатацией
Важная информация:

Гарантийные обязательства выполняются в рамках законодательства РФ о параллельном импорте. Для предъявления претензий по гарантии необходимо обратиться к продавцу.

Цена по запросу
Товар: "Обои виниловые бежевые 0.70 м 919653 RASCH Safrano" добавлен в корзину
Оформить заказ
Товар добавлен в корзину
Оформить заказ
Ваша оценка учтена
Общая оценка товара: 3.5
Вывод сообщения о неверном действии со стороны пользователя
Сообщение об успешном действии: отправлена форма, успешный вход и т.д.
Сообщение об успешном действии: отправлена форма, успешный вход и т.д.